详解西门子PLC编程接线图,附梯形图程序实例,PLC快速入门
详解西门子PLC编程接线图,附梯形图程序实例,PLC快速入门

今天给大家分享的是关于PLC编程控制入门常用到的实例。里面包含的知识点是较为齐全的,如:I/O分配表、PLC接线图、梯形图程序等。
一、电动机顺序启动、顺序停止控制(I/O分配表、PLC接线图、梯形图程序)




二、电动机的顺序启动、同时停止(I/O分配表、PLC接线图、梯形图程序)




三、电动机的顺序启动、逆序停止(I/O分配表、PLC接线图、梯形图程序)




四、电动机延时启动、停止控制(I/O分配表、PLC接线图、梯形图程序)




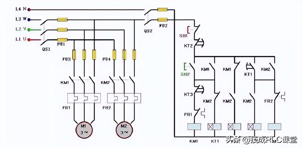
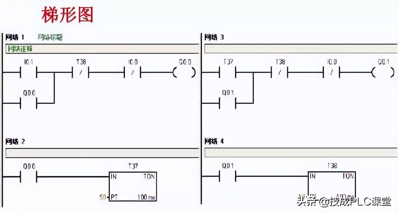
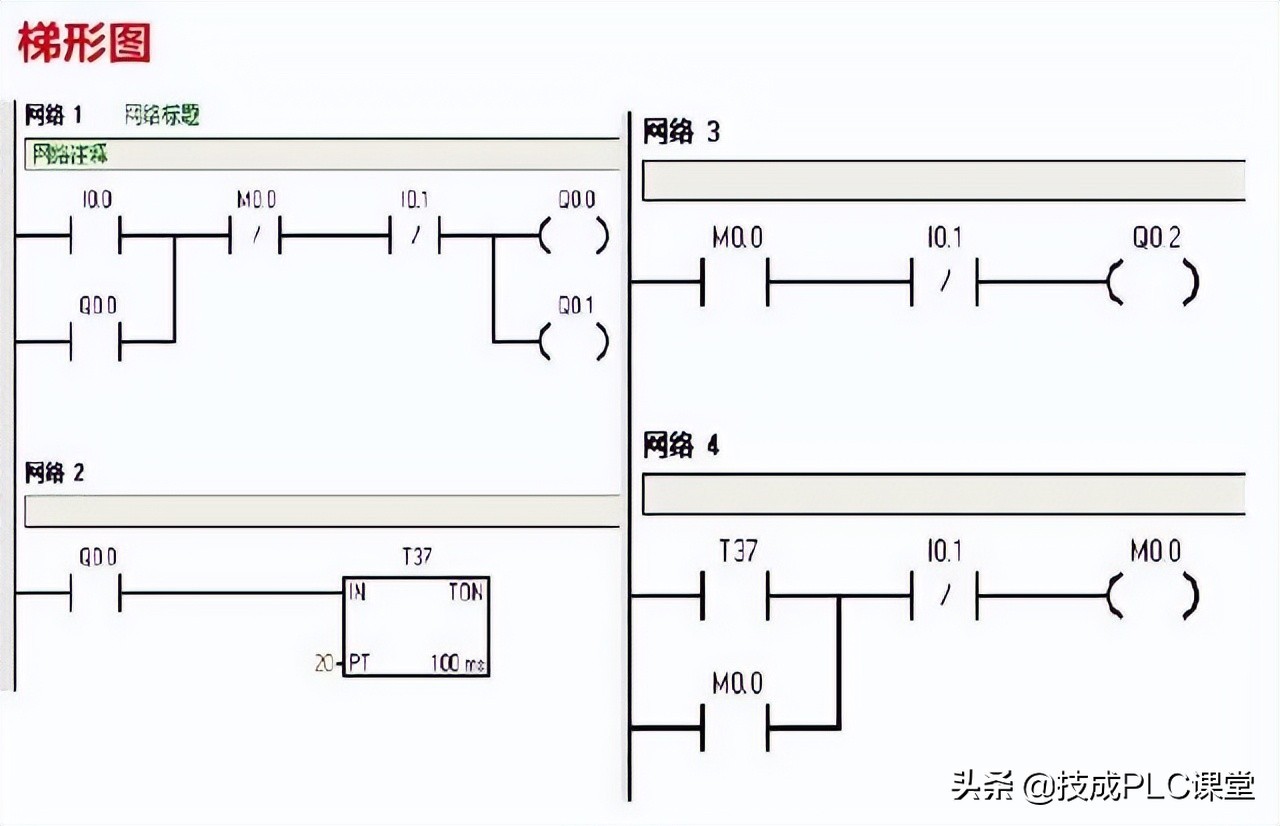
五、笼型感应电动机定子绕组从串电阻降压启动控制系统(I/O分配表、PLC接线图、梯形图程序)




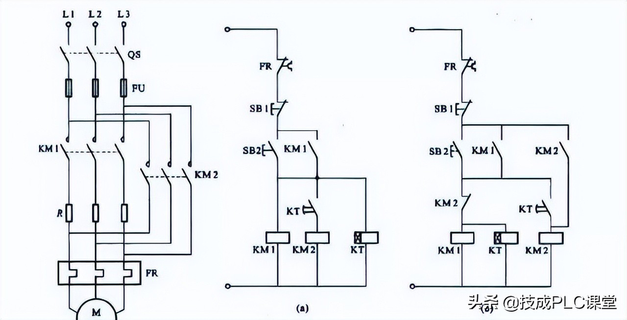
六、三相绕线感应电动机转子绕组串电阻降压启动控制系统(I/O分配表、PLC接线图、梯形图程序)




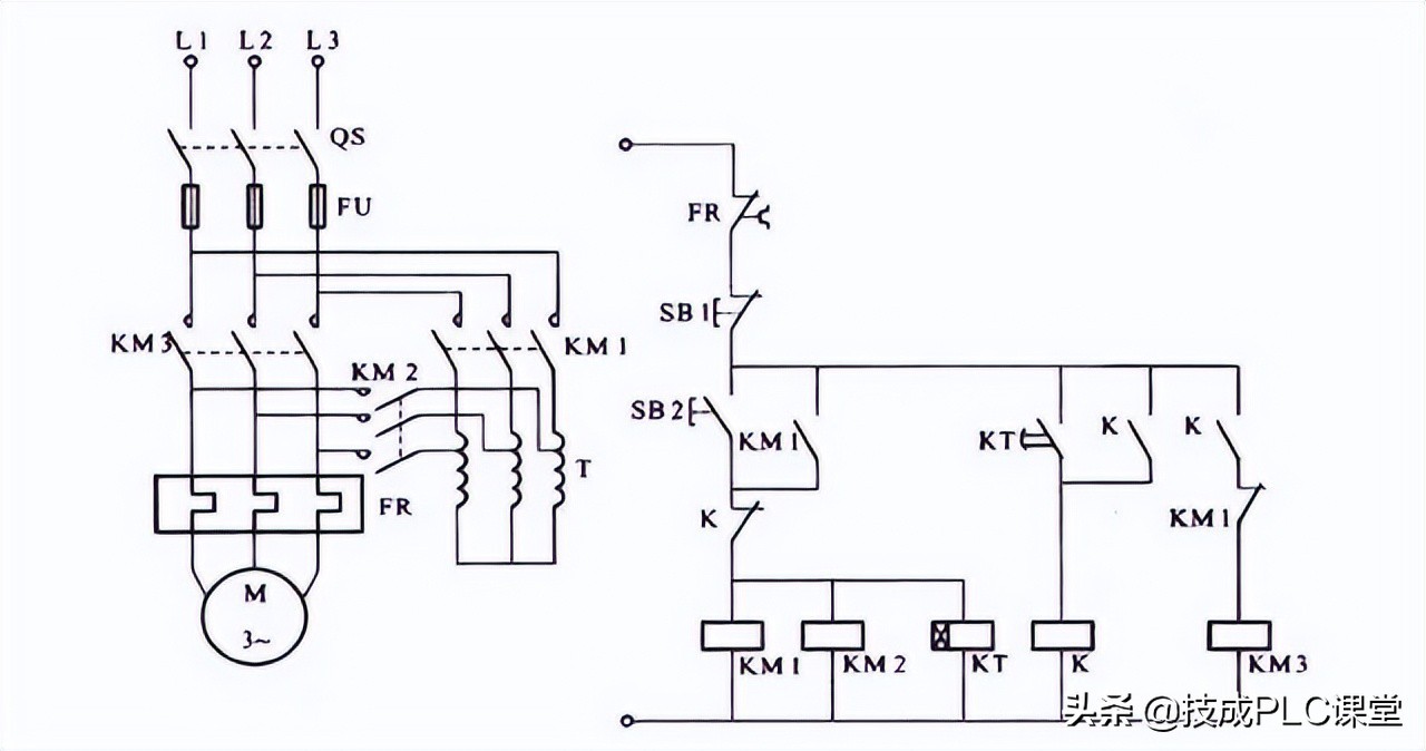
七、Y-△降压启动控制系统(I/O分配表、PLC接线图、梯形图程序)
Y-△降压启动控制(1)




Y-△降压启动控制(2)




八、自耦变压器降压启动控制系统(I/O分配表、PLC接线图、梯形图程序)




来源:网络,侵删~
转发是最大的鼓励!谢谢您的支持!
小贴士
PLC专属资料:含有从入门到高级所有PLC学习资料(三菱/西门子/欧姆龙),电气经典18本大全书,历年电气考试真题、电气必备实训仿真软件、电气自动化行业各类型技术手册!

-
- 洁修哥揭秘:电磁炉工作原理大公开!
-
2025-09-14 08:49:16
-
- 公认最好的十台拍照手机排行!
-
2025-09-14 08:47:00
-
- 东北“神兽”傻狍子到底有多傻?这么笨是怎么存活到现在的?
-
2025-09-14 08:44:44
-
- 春晚36年:九位“小品王”
-
2025-09-14 08:42:29
-
- “富豪前夫”孙志浩:辜负了前妻贾静雯,把现任妻子宠成宝
-
2025-09-14 08:40:13
-
- 前7家拖拉机企业占陕西销量6成,90多万元的拖拉机长这样
-
2025-09-14 08:37:57
-
- 媒体:财经大V侯宁猝然离世,坐拥400万粉丝,李大霄、管清友等发文悼念
-
2025-09-14 08:35:41
-
- 公司财务制度系列——备用金管理制度模板
-
2025-09-14 08:33:25
-
- 东北神兽傻狍子它清澈愚蠢到啥程度_看完网友们分享,我真的笑麻
-
2025-09-14 08:31:10
-
- AI绘图完美世界之-柳神精美图集(一)
-
2025-09-14 08:28:54
-
- 做人,必须要拥有的6个能力
-
2025-09-13 11:55:11
-
- 新疆塔城市,一个有15万人口,市区遍布红色屋顶的漂亮城市
-
2025-09-13 11:52:54
-
- 射天笞地:暴虐的宋康王
-
2025-09-13 11:50:37
-
- 日本军国主义阴魂未灭,国内却产生了大量的精日分子
-
2025-09-13 11:48:21
-
- 美国担心惹怒伊朗,以色列“清空”加沙的图谋,沦为国际笑话
-
2025-09-13 11:46:04
-
- 韩国女星刘珠恩自杀,从张紫妍到崔雪莉,有多少女星沦为财阀玩物
-
2025-09-13 11:43:48
-
- 多尔衮附身?“怒发冲冠为红颜”!韩国总统尹锡悦完了,结局已定
-
2025-09-13 11:41:31
-
- 点球大战!王静怡神扑,湖北女足险胜福建,晋级之路如何?
-
2025-09-13 11:39:14
-
- 从抗日到解放:凯丰的政治命运
-
2025-09-13 11:36:57
-
- 八月初八将至,你知道是什么日子吗?老祖宗留下的谚语,怎么说
-
2025-09-13 11:34:40



办理4050的利弊(办理4050的利弊 千万别办灵活就业4050)